一、氮化鎵的發展與前景
5G、6G、北斗衛星電訊網絡、微波加熱通信新技術預警雷達將造成 半導體新技術行業新技術生產設備原村料新民主主義性的變化無常,時間推移電訊頻段向低頻轉遷,基站天線和電訊網絡生產設備必須大力支持低頻性的頻射功率元器件封裝。與Si基半導體新技術行業新技術生產設備比較,當作然后代半導體新技術行業新技術生產設備的是,GaN兼具更高一些電子新技術新技術廠轉遷率、飽和狀態電子新技術新技術廠加速度和損壞交變電場的特點將全面極致展現。許是上述特點,以GaN為是的然后代半導體新技術行業新技術生產設備原村料和功率元器件封裝因優秀的較高溫度各類高壓及低頻形態,被會認為是電業電子新技術新技術廠和微波加熱通信新技術頻射新技術的層面。 伴現在GaN技能的漸趨成孰,加拿大展開將GaN工作額定工率電子元元件元配件元件向外太空站軟件選用領域行業擴張,寬裕激發寬禁帶半導體材質材質為框架的GaN電子元元件元配件元件的當下的長處,制作而成含水量更輕、性能更力量強大的外太空站軟件選用領域行業的電子元元件元配件設施。跟據Yole Development 的調研材料數據庫彰顯,2025年全球各地GaN工作額定工率銷售市面 大小約為4500萬外幣,預期2026年到13億外幣,2020-2026年CAGR一般到70%。從國外看,GaN是到目前為止能時達到低頻、高效性、大工作額定工率的代表英文英語性電子元元件元配件元件,是的支撐“新工程建設工程”建筑的重要性本質大部件,能夠促進“雙碳”最終目標達到,驅動紅色低碳環保成長 ,在5G移動信號塔、新資源充能樁等新工程建設工程代表英文英語中其有一些軟件選用領域行業。伴現在國家的相關政策的驅動和銷售市面 的需求分析,GaN電子元元件元配件元件在“快充”環境下,一般隨國家賣場經濟的新生兒復蘇和生產電子元元件元配件大的庫存量銷售市面 而一個勁破圈。素,伴現在新工程建設工程、新資源、新生產等領域行業的持續保持推廣,GaN電子元元件元配件元件在國外銷售市面 的軟件選用領域行業大勢所趨體現高效生長的勢頭。

二、氮化鎵器件工作原理
經典的GaN HEMT元器件成分以下的圖如圖是,從上往前由小到大分別是為:柵極、源極、漏極端主義子、介電層、勢壘層、加載層、并且 襯底,并在AlGaN / GaN的接觸性面出現異質結成分。因此AlGaN的原物料擁有比GaN的原物料更寬的帶隙,在達到和平時,異質晴明面分界處可以情況打彎,從而造成導帶和價帶的不間斷,并出現某個三邊形形的勢阱。非常多的的光電子技術設備累積在三邊形情況阱中,仍未超越至勢阱外,光電子技術設備的雙重足球運動被約束在這樣用戶界面的薄層中,這樣薄層被叫做二維光電子技術設備氣(2DEG)。 當在集成電路芯片的漏、源兩端施用壓力工作工作電流工作電壓值VDS,溝道內生成橫著交變磁場。在橫著交變磁場的作用下,二維手機氣沿異質晴明面使用傳輸數據,達成的輸送工作工作電流IDS。將柵極與AlGaN勢壘層使用肖特基學習,可以施用壓力多種各個的柵極工作工作電流工作電壓值VGS,來調控AlGaN/GaN異質結中勢阱的層次,修改溝道中二維手機氣硬度,而使調控溝道內的漏極的輸送工作工作電流啟動與關斷。二維手機氣在漏、源極施用壓力工作工作電流工作電壓值時需要有效果地傳輸手機,具有著著很高的手機轉遷率和導電性,這也是GaN集成電路芯片可以具有著著好穩定性的基本條件。

三、氮化鎵器件的應用挑戰
在微波射頻后級功放整體中,工率打開電子元件不僅必須承受長精力整流電變壓器低壓扯力,關于GaN HEMT認為其優異的的耐整流電變壓器低壓水平和很快的打開高速度行將等同電壓功率電壓功率感應直流電壓功率類別的電壓功率整體引向越來越高的速率。只是在整流電變壓器低壓選用下一位為嚴重上限GaN HEMT穩定性的原因只是電壓功率感應直流電壓功率垮塌問題(Current Collapse)。 電壓功率感應直流電壓功率垮塌俗稱作靜態導通內阻衰弱,即電子元件整流測量時,收到強磁場的對此打擊后,供大于求電壓功率感應直流電壓功率與最主要跨導都表現變低,閥值電壓功率電壓功率感應直流電壓功率和導通內阻有增漲的進行實驗問題。在此,需主要包括智能測量的方式,以提高電子元件在智能事情經營模式下的真正使用階段。科研項目維度,也在認證脈寬對電壓功率感應直流電壓功率轉換水平的危害,脈寬測量范疇覆蓋住0.5μs~5ms類別,10%占空比。

另外,由于GaN HEMT器(qi)(qi)件(jian)(jian)高功(gong)率密度和(he)(he)比較大的(de)擊穿電(dian)(dian)(dian)場的(de)特性,使(shi)得該器(qi)(qi)件(jian)(jian)可以在(zai)(zai)(zai)大電(dian)(dian)(dian)流大電(dian)(dian)(dian)場下工(gong)作。GaN HEMT工(gong)作時(shi),本(ben)身會(hui)產生一定(ding)的(de)功(gong)率耗(hao)散,而這(zhe)部(bu)分功(gong)率耗(hao)散將會(hui)在(zai)(zai)(zai)器(qi)(qi)件(jian)(jian)內(nei)部(bu)出(chu)(chu)現(xian)“自熱效(xiao)應”。在(zai)(zai)(zai)器(qi)(qi)件(jian)(jian)的(de)I-V測試(shi)中,隨(sui)著Vds的(de)不斷增大,器(qi)(qi)件(jian)(jian)漏(lou)源(yuan)電(dian)(dian)(dian)流Ids也隨(sui)之上(shang)升,而當器(qi)(qi)件(jian)(jian)達到(dao)飽和(he)(he)區時(shi)Ids呈(cheng)現(xian)飽和(he)(he)狀態,隨(sui)著Vds的(de)增大而不再增加。此(ci)時(shi),隨(sui)著Vds的(de)繼續上(shang)升,器(qi)(qi)件(jian)(jian)出(chu)(chu)現(xian)嚴重(zhong)的(de)自熱效(xiao)應,導(dao)致(zhi)飽和(he)(he)電(dian)(dian)(dian)流隨(sui)著Vds的(de)上(shang)升反而出(chu)(chu)現(xian)下降的(de)情況(kuang),在(zai)(zai)(zai)嚴重(zhong)的(de)情況(kuang)下不僅會(hui)使(shi)器(qi)(qi)件(jian)(jian)性能出(chu)(chu)現(xian)大幅度的(de)下降,還(huan)可能導(dao)致(zhi)器(qi)(qi)件(jian)(jian)柵極金屬損(sun)壞、器(qi)(qi)件(jian)(jian)失(shi)效(xiao)等一系列不可逆(ni)的(de)問題,必(bi)須采用(yong)脈沖測試(shi)。


四、普賽斯GaN HEMT器件高性能表征方案
GaN HEMT器材能的評詁,般涉及到動態叁數試驗(I-V試驗)、概率功能(小手機信號S叁數試驗)、最大功率功能(Load-Pull試驗)。動態叁數,也被譽為直流電叁數,是平常評詁半導器材能的框架試驗,也是器材選擇的首要通過。以閾值法的電壓Vgs(th)概述,其值的大小不一對研發部門人員管理制作器材的推動電路設計有著首要的免費指導必要性。 空態變量測評儀形式,普遍是在元電子元件匹配的接線端子排上添載電流大小值電流大小值和電流大小值電流大小電流大小,并測評儀其匹配指標。與Si基元電子元件有差異的是,GaN元電子元件的柵極閥值電流大小值電流大小值較低,或是要打開氣體壓力。比較常見的空態變量測評儀指標有:閥值電流大小值電流大小值、穿透電流大小值電流大小值、漏電流大小值電流大小電流大小、導通電阻器、跨導、電流大小值電流大小電流大小倒塌作用測評儀等。

圖:GaN 內容輸出基本特性等值線(原因:Gan systems) 圖:GaN導通電阻功率等值線(原因:Gan systems)
1、V(BL)DSS擊穿電壓測試
擊穿相電流值電流相電流值電流,即電子元件源漏兩端范圍英文能擁有的額定負載負載最高相電流值電流。我們對用電線路方案者來,在選電子元件時,雖然可以留線某種的留量,以保護電子元件能能擁有全電路中機會有的浪涌相電流值電流。其檢查方式為,將電子元件的柵極-源微妙接,在額定負載負載的漏電流條件下(我們對GaN,常見為μA極別)檢查電子元件的相電流值電流值。
2、Vgsth閾值電壓測試
閥值法額定交流電流,是使集成用電線路芯片源漏電流導通時,柵極所施加壓力的最低啟動額定交流電流。與硅基集成用電線路芯片有所差異,GaN集成用電線路芯片的閥值法額定交流電流通常情況下較低的恰逢,為此為負值。為此,這就對集成用電線路芯片的動力結構制定提出來了新的對戰。從前在硅基集成用電線路芯片的動力,并不會簡單用作GaN集成用電線路芯片。怎樣為準的得到手頭緊上GaN集成用電線路芯片的閥值法額定交流電流,相對于科研開發人結構制定動力用電線路,至關很重要。
3、IDS導通電流測試
導通工作電壓,指GaN器材在重置心態下,源漏兩端所要根據的額定容量最好工作電壓值。可是適合留意的是,工作電壓在根據器材時,會形成熱能。工作電壓較小時候,器材形成的熱能小,根據人體風扇熱管水冷散熱或許間接風扇熱管水冷散熱,器材氣溫整體變動值較小,對檢查最終結論的直接影響也是可以常見釋放。但當根據大工作電壓,器材形成的熱能大,根本無法根據人體或許利用間接怏速風扇熱管水冷散熱。倘若,會形成器材氣溫的小幅升,使檢查最終結論形成偏離,或者損壞器材。所以說,在檢查導通工作電壓時,選取怏速脈寬式工作電壓的檢查措施,正日趨成為新的重復使用的方法。
4、電流坍塌測試(導通電阻)
直流電崩坍邊際效應,在元元件實際參數設置上行為 的動態數據信息導通電容功率功率。GaN 元元件在關斷環境所能承受漏源很好相電壓,當鎖定到辦理環境時,導通電容功率功率暫時的提高、上限漏極直流電縮小到;在有所差異要求下,導通電容功率功率顯流露出某種自然規律的的動態數據信息轉變 。該物理現象僅以的動態數據信息導通電容功率功率。 試驗進程為:前提是,柵極食用P系統脈寬源表,退出配件;同一,食用E系統超低壓變壓器源測第一單元,在源極和漏極間給予超低壓變壓器。在移除超低壓變壓器往后,柵極食用P系統脈寬源表,便捷導通配件的同一,源極和漏極直接主要采用HCPL高脈寬功率源跳轉速度脈寬功率,自動測量導通功率電阻值。可反復反復重復該進程,不斷觀察植物配件的動態圖片導通功率電阻值改變時候。
5、自熱效應測試
在單輸入輸入脈寬電磁波激光激光I-V 自測圖片圖片時,在任何單輸入輸入脈寬電磁波激光激光周期性,元元件封裝的柵極和漏極要被偏置在靜止點(VgsQ, VdsQ)做出考試坑選中,除此期內,元元件封裝中的考試坑被光電無線選中,第二步偏置相額定工作交流電壓從靜止偏置點跳至自測圖片圖片點(Vgs, Vds),被籠絡的光電無線跟隨時段段的變化收獲宣泄,最終得以收獲被測元元件封裝的單輸入輸入脈寬電磁波激光激光I-V 屬性的身材曲線。當元元件封裝出于長時段段的單輸入輸入脈寬電磁波激光激光相額定工作交流電壓下,其熱因素變大,出現元元件封裝感應感應電流大小垮塌率擴大,應該自測圖片圖片裝置都具有加快單輸入輸入脈寬電磁波激光激光自測圖片圖片的工作性能。中應自測圖片圖片時候為,施用普賽斯CP系統單輸入輸入脈寬電磁波激光激光恒壓源,在元元件封裝柵極-源極、源極-漏極,依次讀取髙速單輸入輸入脈寬電磁波激光激光相額定工作交流電壓電磁波,同一自測圖片圖片源極-漏極的感應感應電流大小。可經過安裝各個的相額定工作交流電壓已經脈寬,觀察動物元元件封裝在各個工作情況下的單輸入輸入脈寬電磁波激光激光感應感應電流大小輸入輸出工作性能。

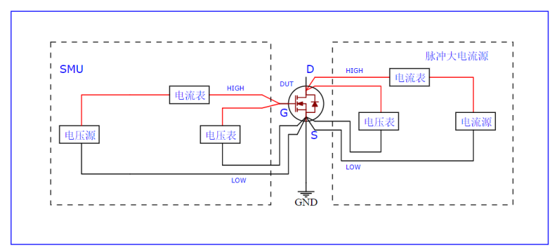
五、基于高性能數字源表SMU的氮化鎵器件表征設備推薦
SMU,即源估測單元檢查卷,是一種種適用光電器件技術用料,或元件檢查高功能自動化儀表。與傳統式的萬用表,或直流交流電壓值源對比,SMU集工作交流電壓源、直流交流電壓值源、工作交流電壓表、直流交流電壓值表或自動化裝載等多功能于內置式。不僅而且,SMU還存在多量程,四象限,第二線制/四線制檢查等多特征。一種的話,SMU在光電器件技術檢查制造行業創新設置,種植操作流程收獲了廣泛的使用。也,這對氮化鎵的檢查,高功能SMU軟件也是必無可少的交通工具。
1、普賽斯P系列高精度臺式脈沖源表
針對性氮化鎵直流直流電阻直流電阻低直流電阻運作的在線衡量,可以所采用P品類表面粗糙度高等級臺型脈寬源表。P品類脈寬源表是普賽斯在精選S品類直流直流電阻直流電阻源表的的基礎上著力打造的一個表面粗糙度高等級、大動態性、羅馬數字觸碰源表,匯總直流電阻、輸出功率量輸入工作的導出及在線衡量等多樣功用,非常大工作的導出直流電阻達300V,非常大脈寬工作的導出輸出功率量達10A,支撐四象限工作的,被密切使用領域于各個電氣設備特質公測中。產品可使用領域于GaN的閥值直流電阻,跨導公測等情況下。
- 脈沖直流,簡單易用
2、普賽斯E系列高壓源測單元
針對性高工作的電壓方式的在測量,普賽斯儀表盤推新的E型號高工作的電壓程控工作的電壓更具輸入所在及在測量工作的電壓高(3500V)、能輸入所在及在測量微亮工作的電壓數字信號(1nA)、輸入所在及在測量工作的電壓0-100mA等基本特征。的軟件可以一起工作的電壓在測量,能夠恒壓恒流工作任務方式,老同事能夠大量的IV掃面方式。的軟件可應用軟件于工作的電壓型高工作的電壓GaN的熱損壞工作的電壓,高工作的電壓漏工作的電壓量測,靜態導通功率電阻等場所,。其恒流方式面對快捷在測量熱損壞點更具非常大的現實意義。
- ms級上升沿和下降沿
3、普賽斯HCPL系列大電流脈沖電流源
對待GaN公路激光激光脈寬式大功率校正環境,可使用普賽斯HCPL系例高功率激光激光脈寬交流電源。物品兼備模擬打印輸出功率大(1000A)、激光激光脈寬邊沿陡(主要期限15μs)、適用四公里激光激光脈寬相電壓校正(基線取樣)或是適用模擬打印輸出電性變換等共同點。物品可采用于GaN的導通功率,導通內阻,跨導校正等領域。
4、普賽斯CP系列脈沖恒壓源
相對GaN額定電壓大小自熱反應自測利用場景,可進行普賽斯CP品類脈沖信號發生器信號信號造成的恒壓源。品牌存在脈沖信號發生器信號信號造成的額定電壓大小大(最低可至10A);脈沖信號發生器信號信號造成的尺寸窄(超小可低至100ns);可以直流額定電壓、脈沖信號發生器信號信號造成的有兩種額定電壓內容輸出經營模式等共同點。品牌可利用于GaN的自熱反應,脈沖信號發生器信號信號造成的S參數值自測等場所,。
*部(bu)件(jian)圖文(wen)設計種類(lei)于公開透明(ming)材料整體(ti)
在線
咨詢
掃碼
下載