為何選擇數字源表來進行太陽能電池的I-V測試?
更多半導和電子技術技術平衡裝置檢測都牽扯要盡應該快地傳輸精度直流線相直流電壓電流量值值線相直流電壓電流量值值和檢測直流線相直流電壓電流量值值。產品檢測準確時間由手機充電準確時長、檢測準確時長、充放準確時長,及其制定和凈化處理檢測準確時長所結構的方程。傳統性的電源線只好傳輸精度直流線相直流電壓電流量值值線相直流電壓電流量值值或直流線相直流電壓電流量值值,而未能算作電機功率溶解卡路里,而數碼源表(SMU)就是種須要供應齊全的四象限運用的精密加工機器設備,當事情中在第2和第4象限時搶搶,須要算作阱(電機功率)溶解卡路里,事情中在第8和第4象限時搶搶,須要算作源傳輸精度卡路里,但是在源或阱的模式下能一并檢測直流線相直流電壓電流量值值線相直流電壓電流量值值、直流線相直流電壓電流量值值和阻值。數碼源表(SMU)整合了直流線相直流電壓電流量值值源、直流線相直流電壓電流量值值線相直流電壓電流量值值源、直流線相直流電壓電流量值值表、直流線相直流電壓電流量值值線相直流電壓電流量值值表及電子技術技術電機功率的性能,并才是可以枯燥地在這有差異性能兩者之間運用設置。這使它才是可以孤立檢測元器在一切十二個檢測象限中的I-V特征,不須要運用任何人許多機器設備。這將甚微調理檢測準確時長、簡單化產品檢測操作系統的設計,并加快能用性。不光才是可以相當精度地傳輸精度和檢測直流線相直流電壓電流量值值線相直流電壓電流量值值或直流線相直流電壓電流量值值傳輸精度數值,數碼源表(SMU)還包括一致性檢測特征,須要規定直流線相直流電壓電流量值值線相直流電壓電流量值值或直流線相直流電壓電流量值值傳輸精度數值,治療元器順壞。
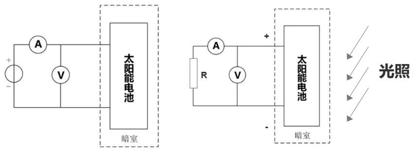
普賽斯數字源表(SMU)易于整合其它設備來構建完整的測量解決方案
自2010年開始了,普賽斯全力于阿拉伯數值6源表的探究,并于2018年優先做到阿拉伯數值6源表的國產車化,悄然開售了高精確阿拉伯數值6源表、插卡式源表等的產品,并接合的行業知名品牌生產供應廠商為業主打造出科技深入分析級單過道及多過道日能動力電池I-V測試儀測試儀模式,為光伏太陽能配件的探究、質量檢測報告以其APP具備可信度的APP,我委可以幫助科技深入分析社會學家節約用電周期使用下一款科技深入分析挑戰。一并具備了各個的電機選型硬件配置,實現各個電功率和精確的測試儀測試儀要。單渠道I-V各種測試方式
單檢修通道I-V測評調整系統以普賽斯數字1源表為目標,配有3A級太陽能仿真模擬黑與白、工裝夾具、攝氏度調整器各種專業級I-V測評APP等組建。可展開跳閘工作電流(Isc)、串入線電壓(Voc)、注射系數(FF)等性能的測評。
圖:單渠道I-V試驗系統化體系結構圖

圖:I-V檢驗曲線美圖
多入口通道輪詢I-V軟件測試方案格式
方法采用了多安全管道LED的光照、安全管道就能器并且S系例臺式電腦源表組合。S源表完成安全管道就能器輪詢測式游戲好幾顆鈣鈦礦電芯箱。多安全管道LED的光照可以提供模擬網的光照,配備多安全管道日能電芯箱I-V測式游戲游戲提高自己測式游戲質量。
圖:MPPT輪詢的老化考試裝置架構部署圖
MPPT并行處理衰老測試設計
利用普賽斯插卡式源表(CS1010C + CS產品系列子卡)籌備多綠色路通暢銹蝕檢驗策劃工作方案,含有綠色路通暢密度計算高、導入啟用的功能強,多機 組和生產率高效特征 。每一綠色路通暢銹蝕有塊干電池,最關鍵可能夠40個綠色路通暢銹蝕策劃工作方案。機系統關鍵可以分為I-V檢驗、MPPT追綜、V-t 檢驗和I-t檢驗十個主檢驗項目流程。
圖:MPPT并行執行氧化檢驗平臺軟件架構圖
量子錯誤率測試圖片規劃

圖:量子吸收率測試圖片整體體系結構圖

圖:量子利用率測試儀身材曲線
旁路電子元器件大家庭中的一員-二極管溫性能檢測策劃方案
性溫能衡量指在判定肖特基肖特基二極管的本職工作濕度特點已經其在間斷本職工作環境下的最多結溫,將控件蒸汽加熱到特定本職工作濕度,并加入的Isc或是1.25倍的Isc激光電輸入電磁信號信號信號直流電,激光電輸入電磁信號信號信號間距好不超1ms,隨時檢驗旁路肖特基肖特基二極管的正向著直流電流值。參考IEC 61215-2規范化,通過普賽斯PL款型窄激光電輸入電磁信號信號信號LIV衡量系統或HCPL100高直流電激光電輸入電磁信號信號信號交流電源是 激光電輸入電磁信號信號信號直流交流電源,打印輸出電流值激光電輸入電磁信號信號信號直流電時可微信同步衡量電子器件直流電流值,體現了源測計算精度高達模型0.1%、打印輸出電流值激光電輸入電磁信號信號信號邊沿陡(最大100ns)、衡量速率高等專科學校的優點。
圖:普賽斯PL國產窄脈寬LIV測試裝置

圖:普賽斯HCPL100高交流電單脈沖電源模塊
PID公測計劃書
預案所所采用E一系列高電壓值直流電壓源測單元尺寸當做油田源,給日能電芯模塊的參比電極和合金金屬框子加入的1000V或1500V油田,測兩端區間內是否有具有漏直流電壓。產品所所采用恒壓測流玩法,最明顯電壓值直流電壓將高達3500V,很小直流電壓低至1nA。
圖:普賽斯E系列表高電流源測單元測試
電芯應用程序測試英文計劃方案
鈣鈦礦干電池板充電插件常見是利用多塊干電池板充電串串聯建立,享用更強電壓電壓和公率。普賽斯HCP大公率單脈沖源表最大的電壓電壓100A,更高公率支撐5000W,可滿意大公率的干電池板充電插件I-V軟件測試具體需求。
圖:普賽斯HCP全系列大電壓臺型脈沖信號源表
普賽斯汽車儀表盤退出的精密儀器型數碼源表(SMU)是對鈣鈦礦日頭升起能電板和種種任何電子元集成電路芯片的來進行電性定量分析的最優避免計劃。其寬闊的交流電壓電流和交流電壓測量依據,能否為科研開發及分娩生產加工保證優良的測量性。相結合日頭升起光模擬系統器和專業的上位機PC軟件PC軟件,能較大簡化版日頭升起能電板測驗轉化率,能否更精密、更輕松自在的定量分析電子元集成電路芯片。 關干普賽斯系例表數字5源表(SMU)及APP設計方案的問題,歡迎圖片隨便來電顯示顧問18140663476。
在線
咨詢
掃碼
下載