集成電路測試貫穿了從設計、生產到實際應用的全過程,大致分為:
- 的定制階段中,的的定制印證各種測試- 晶圓研制的時候的施工工藝監督試驗- 二極管封裝前的晶圓測試儀- 封裝形式后的產品檢測芯片測試應用現狀
芯片測試作為芯片設計、生產、封裝、測試流程中的重要步驟,是使用特定儀器,通過對待測器件DUT(Device Under Test)的檢測,區別缺陷、驗證器件是否符合設計目標、分離器件好壞的過程。其中直流參數測試是檢驗芯片電性能的重要手段之一,常用的測試方法是FIMV(加電流測電壓)及FVMI(加輸出功率測直流電壓)。
以往的IC芯片電機械穩定量分析測試儀軟件方法還要數臺義表達成,如電流量電壓源、電流量源、萬用表等,然后由數臺義表組成部分的體統還要對應來編譯程序、搜集、連結、檢測的和研究分析,的時候非常多樣化又用時,又占存過度測試儀軟件方法臺的位置,并且動用單獨模塊的義表和激勁源還存有非常多樣化的相互之間間捕獲實操,有不大的不判定量分析及變慢的數據總線傳遞線速度等通病,未能實現科學規范率測試儀軟件方法的供需。實施芯片電性能測試的最佳工具之一是大數字源表(SMU),數字源(yuan)(yuan)表可作為獨(du)立的恒壓源(yuan)(yuan)或恒流(liu)源(yuan)(yuan)、電(dian)壓表、電(dian)流(liu)表和(he)電(dian)子負載,支(zhi)持四(si)象限功能,可提供(gong)恒流(liu)測壓及恒壓測流(liu)功能,可簡化芯片電(dian)性能測試方案(an)。
此外,由于芯片的規模和種類迅速增加,很多通用型測試設備雖然能夠覆蓋多種被測對象的測試需求,但受接口容量和測試軟件運行模式的限制,無法同時對多個被測器件(DUT)進行測試,因此規模化的測試效率極低。特別是在生產和老化測試時,往往要求在同一時間內完成對多個DUT的測試,或者在單個DUT上異步或者同步地運行多個測試任務。
基于普賽斯CS系列多通道插卡式數字源表搭建的測試平臺,可進行多路供電及電參數的并行測試,高效、精確地對芯片進行電性能測試和測試數據的自動化處理。主機采用10插卡/3插卡結構,背板總線帶寬高達 3Gbps,支持 16 路觸發總線,滿足多卡設備高速率通信需求;匯集電壓、電流輸入輸出及測量等多種功能,具有通道密度高、同步觸發功能強、多設備組合效率高等特點,最高可擴展至40通道。

圖1:普賽斯(si)CS品類插卡式源表
(10插卡及3插卡,高(gao)至(zhi)40安全通道(dao))
基于數字源表SMU的芯片測試方案
操作普賽斯數據源表完成存儲芯片的開短路等問題檢測(Open/Short Test)、漏電流檢測(Leakage Test)還有DC性能參數檢測(DC Parameters Test)。1、開短路測試(O/S測試)
開擊穿測評(Open-Short Test,也稱間隔性或相處測評),用在效驗測評軟件與電子器件全部引腳的電相處性,測評的方式是使用對地庇護電感來進行的,測評拼接電路設計如下所述所顯示:
圖(tu)2:開跳閘測(ce)試圖(tu)片輸電線路銜(xian)接示意(yi)圖(tu)
2、漏電流測試
漏電流軟件各種測試方法,叫作為Leakage Test,漏電流軟件各種測試方法的意義包括是抽樣檢查鍵盤輸入Pin腳同時高阻環境下的內容輸出Pin腳的電位差是否有夠高,軟件各種測試方法連到電線正確右圖:
圖3:漏電流測試儀(yi)層面接連展示(shi)
3、DC參數測試
DC性能指標的測式儀圖片,通常情況下皆是Force瞬時電流大小測式儀圖片輸出功率或 Force輸出功率測式儀圖片瞬時電流大小,包括是測式儀圖片輸出阻抗性。通常情況下不同的DC性能指標還會在Datasheet面標注,測式儀圖片的包括目的性是保證 單片機芯片的DC性能指標值符合國家規則:
圖4:DC技術指標測試儀(yi)火車線路接入構造(zao)

測試案例

檢查操作系統分配
Case 01 NCP1377B 開短路測試
測驗 PIN 腳與 GND 當中連結壯態,測驗過程中 中SMU選擇3V分度值,產生-100μA交流電,限壓-3V,測量電流電流值最終表 1 表達,電流電流值最終在-1.5~-0.2 當中,測驗最終 PASS。*測試英(ying)文(wen)各線路(lu)對接(jie)參考(kao)圖2

圖5:NCP1377B開出現短路測試軟件成果
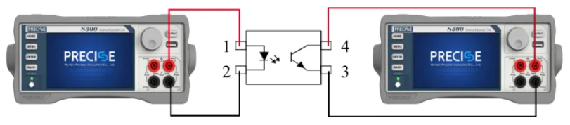
Case 02 TLP521 光電耦合器直流參數測試
光電科技解耦器其具體由2個組群成:光的發端及光的收到入端。光的發端其具體由發光字穩壓管包括,穩壓管的管腳為光耦的復制粘貼端。光的收到入端其具體是光敏納米線管, 光敏納米線管是使用 PN 結在加入的返向的電壓時,在環境光直接照射下返向熱敏電阻由大變小的原理圖來崗位的,納米線管的管腳為光耦的轉換端。 成功案例運用兩部SMU來測試圖片,一架SMU與電子元件輸出端聯接,為恒流源win7驅動發亮二級管并檢測的輸出端相應的性能技術指標,另外架SMU與電子元件輸出端聯接,為恒壓源并檢測的輸出下相應的性能技術指標。*各種測試各線路鏈接圖案填(tian)充圖4

圖6:BVECO 各(ge)種實驗數據分(fen)析及曲(qu)線美

圖(tu)7:ICEO測試實驗數(shu)據(ju)顯示及等值線

圖8:搜索性線性

圖9:輸出(chu)的因(yin)素線條

在線
咨詢
掃碼
下載